This project was done my sophomore year where we were instructed to design an arbor press and a workbench that would allow multiple people to use the presses at once. The project was done in Autodesk Inventor.
Full Assembly

This project introduced me to several common design engineering practices, including using standard parts, GD&T, and drawing formats. Along with that the project helped me learn what is available within the mechanical industry. Using so many standard parts in this assembly it allowed me to discover a lot of what the industry has to offer.

Breakdown
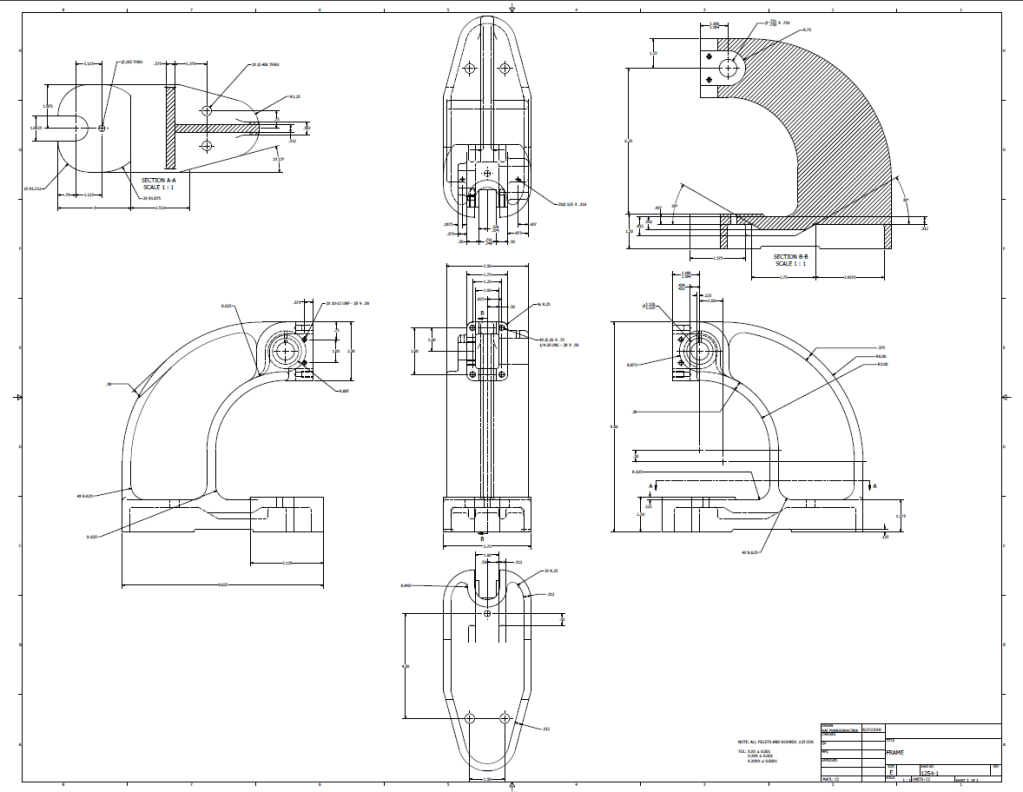
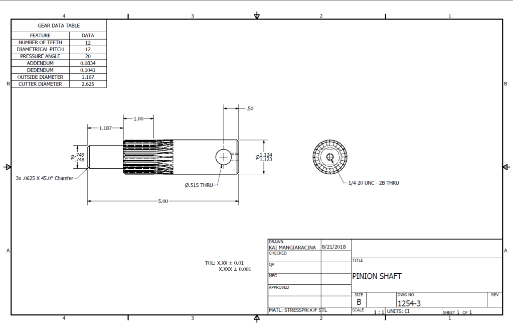
Arbor Press
The arbor press introduced me to tolerancing, exploded views, assembly drawings, and tables. Going through this part of the project it showed me how complex drawings can become especially if they are not formatted correctly.
Drawings
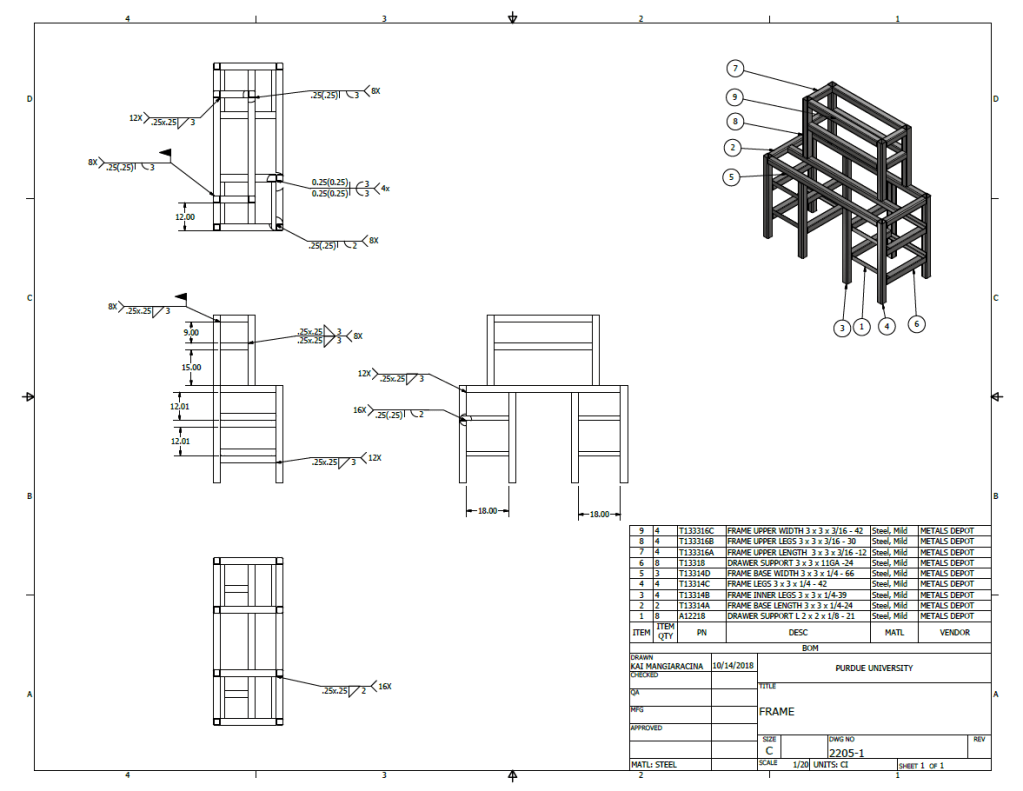
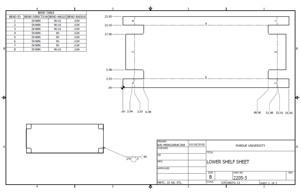
Work Bench
The work bench introduced weld symbols, other tables, and integrating sub assemblies. This part of the project made me realize how complex assemblies can get if parts and assemblies are not managed properly.
Drawings
More
Click below to download images of the models and the rest of the drawings.







