Model-Based Definition
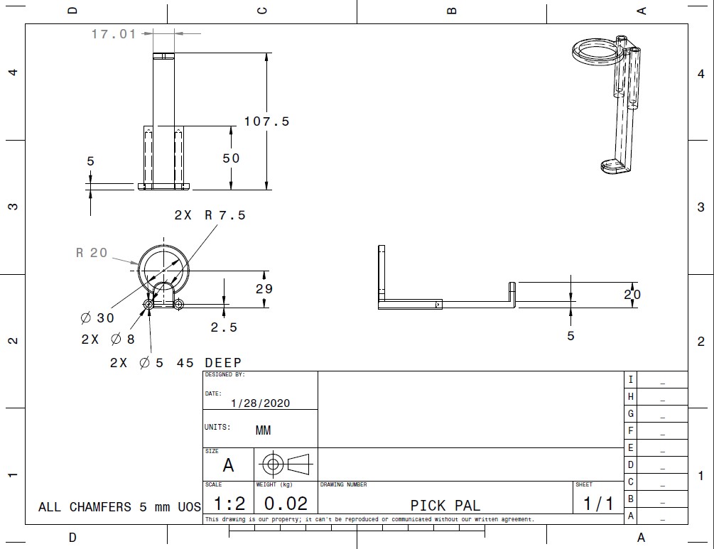
Animal Rescue League Project (NX)
This was my favorite component of this class. The class was tasked with creating a solution for the cats escaping out of the top of the cage. This was my groups solution. Click images to see a larger view.
V-block (CATIA V5)
This is a Demonstration of PMI (Product Manufacturing Information) in CATIA V5. This allowed me to learn about the PMI functionalities of the software. Click images to see a larger view.


Engine Block (NX)
This was a basic drawing in NX. This was helpful when learning the drawing interface in NX.
Connecting Rod (CATIA V5)
This is a basic drawing in CATIA V5. This was helpful as it was a good refresher on when I did it last.


Sketch from a Description
This is an early Demonstration of This is a very early assignment in the class where we modeled what we perceived a written description of a part would look like. It was surprising to see the diversity between the parts.
Model and creating a drawing (CATIA V5)
This assignment was to create a model with certain specifications and create a drawing for it. I learned from this that detail views are very important.

Base Plate (NX)
This is a Demonstration of PMI in NX. It was intreating to see how drawings can be replaced with eD models and PMI.
Datums in a 3D Model (CATIA V5)
In this assignment we were shown how to implement datum’s in to a PMI model.











