In this project I designed a turtle and a mold for it. It was resin casted using alumiRes and designed in Solidworks.
Product

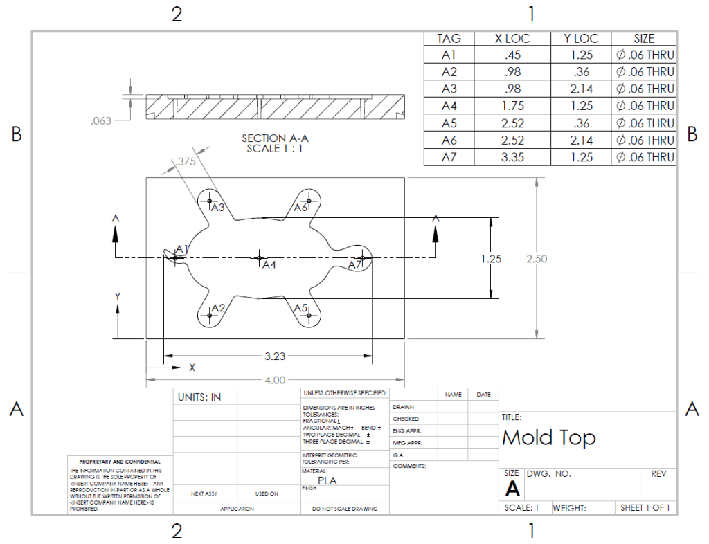
The turtle went through multiple design iterations. Originally a cast iron turtle was 3D scanned for its surface geometry in order to create a mold. Unfortunately, the cast iron turtle’s surface was very textured making the scan very large. This led to the post-processing of the scan crashing every computer I attempted to open it on. I ended up designing a new turtle from scratch. Since the turtle is such an abstract shape critical dimensions were placed in the drawing to determine the accuracy of the mold.

Mechanical Applications
Mold
Once I had modeled the turtle I was able to make the mold. I used Solidworks mold cavity feature to create the mold. I 3D printed the mold using PLA. It was originally created to be used for chemical foam casting, unfortunately, that failed, and I arrived at resin casting it instead. The only difference between the two was resin casting only used the bottom mold.
Final Design
Design for Chemical Foam Casting
Process
Something that I needed to consider when designing the mold was that the reaction was exothermic. The main concern of that was the walls of the 3D print melting creating a deformed product. This was addressed by making the walls thickness 1mm. The original plan was to chemical foam cast the turtle. Sadly with the mold being so small and the expansion ratio of chemical foam casting so large there was very little material that was mixed. This led to most of the material to be left in the mixing cup. To compensate this issue I decided to resin cast the turtle instead, since resin does not expand. This ended up working well. After curing for 24 hours the turtle was removed from the mold unfortunately it did not come out easily. On the first attempt I broke off the tail, where I resulted to heating the mold to 200 C (melting temperature of PLA) and destroyed time mold.
Curing

5 minutes after mixing 
10 minutes after mixing






